Home >> Products >>ST-B Series for Medium Temp >> ST-B Series for Medium Temperature Refrigeration 220V/60Hz/1ph 220V~460V/60Hz/3ph R22/R404A
Product Detail

ST-B Series for Medium Temperature Refrigeration 220V/60Hz/1ph 220V~460V/60Hz/3ph R22/R404A

Collect
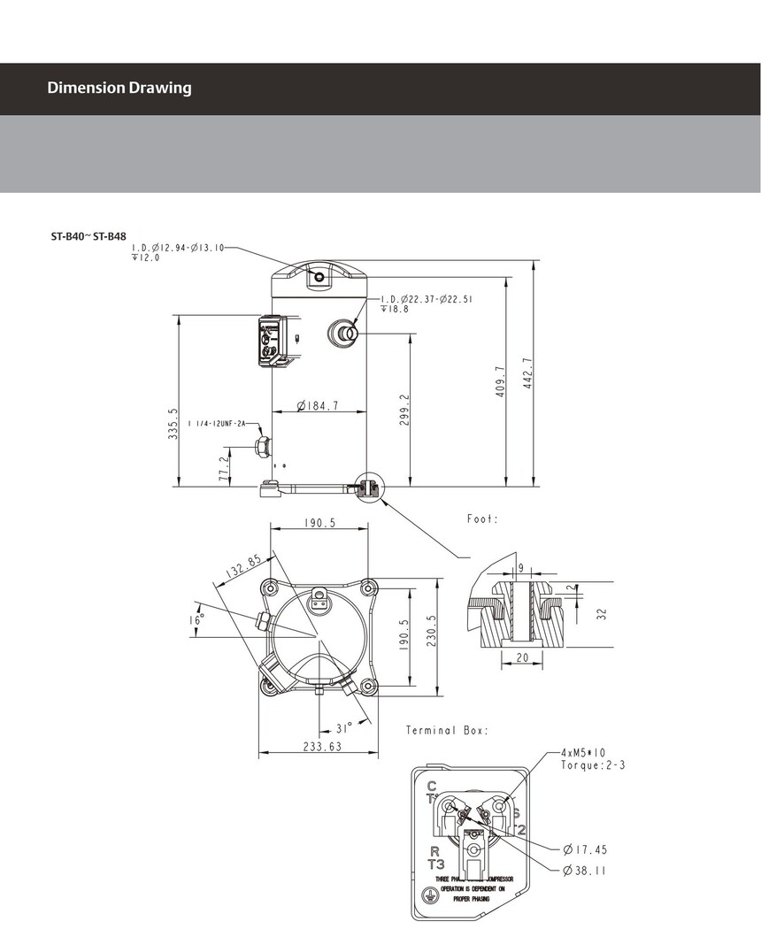
  • Drawing
  • Technical






Copyright 2003-2017 ALL RIGHTS RESERVED 京ICP备0000000号

 Contact  Us


ScrollTech Compressor Technology Co., Ltd.

Tel. : +86 574 87025122

Fax: +86 574 87025086

Cell: +86 13605887015
whatsapp No.:+8613605887015

E-Mail: st@scrolltech.com.cn   

Web: www.scrolltech.com.cn

ADD.: Suzhou City,Jiangsu Province,China 

POBOX: 215000



×
seo seo